Индикаторы положения AD22-WF
применяются для индикации процессов и обозначения режимов работы шкафов
управления.
- 100
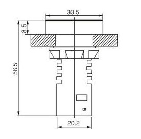
Индикаторы используются для сигнализации положения контактов выключателей, разъединителей, клапанов и задвижек. Устанавливаются на лицевых панелях шкафов и мнемосхемах оборудования стандартные монтажные отверстия диаметром 22,3 мм. Индикаторы универсальны и могут работать как в цепях переменного тока, так и постоянного. Благодаря светодиодному элементу характеризуются высоким сроком службы и низким энергопотреблением. Используются как более экономная альтернатива индикаторам положения NEF30 и NEF22 марки PROMET.
Преимущества:
• Степень защиты IP40
• Срок службы > 30000 часов
• Высокая яркость свечения
• Компактные размеры
• Простота монтажа
Рабочая температура | -25... +50 °C |
Относительная влажность | ≤ 90% |
Степень защиты | IP65 |
Рабочее напряжение | AC/DC 220 В |
Потребляемый ток | 16 мА |
Частота | 50/60 Гц |
Яркость свечения | ≥ 100 cd/m2 |
Время наработки на отказ | ≥ 30 000 часов |
Цвет индикации | Красный/Зеленый |
Тип подключения | Винтовое, 0,5…2,5мм2 |
Тип подсветки | LED |
Схема подключения |
Варианты свечения в зависимости от коммутации |
AD22 WF |