Осевой вентилятор FL 20572HA1B-C применяется для охлаждения всевозможных приборов и компонентов, промышленного оборудования.Спектр применения осевого вентилятора FL 20572HA1B-C очень широк: от установки на радиаторы охлаждения (твердотельные реле и прочее), вытяжные/впускные решетки шкафов управления и автоматизации, компьютерную периферию, до значительно более крупного промышленного оборудования (сварочные аппараты, холодильное и телекоммуникационное оборудование, и прочее). Вплоть до применения в ресторанном оборудовании, салонах красоты, соляриях.

1.00руб.

Вентилятор серии FL обладает повышенной производительностью. Укомплектован подшипником качения. Двойной шарикоподшипник позволяет увеличить срок службы вентилятора. Конструктивно вентилятор представляет собой вал с установленной крыльчаткой, при этом поток воздуха направлен вдоль оси вращения лопастей. Этот тип конструкции является самым популярным во всех сферах применения вентиляторов. Аксиальный вентилятор отличается высокими показателями расхода воздуха, и хорошо справляется с охлаждением.

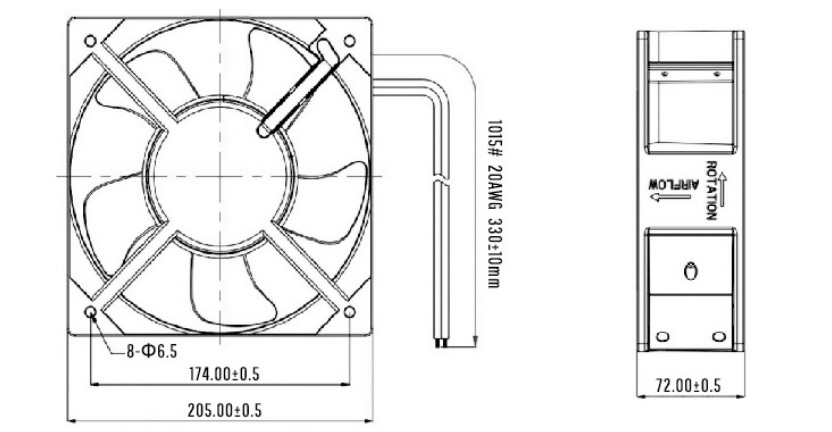
Крыльчатка изготовлена из негорючего термопластика, соответствующего стандартам горючести пластиковых материалов UL 94. Корпус выполнен из силумина (сплав алюминия с кремнием), покрытого антикоррозийным влагоотталкивающим покрытием черного цвета.Клеммные выводы обеспечивают удобство подключения вентилятора

Тип тока
AC
Номинальное напряжение питания, В
100/125
Максимальный воздушный поток, м3/ч
905/1248
Габаритные размеры, мм
205*205*72
Уровень шума, дБ(А)
61/68
Скорость вращения, об./мин.
2850/3250
Номинальный ток, А
0,80/0,9
Потребляемая мощность, Вт
88/98
Тип подшипника 
качения
Выводы
клеммный разъем
Рабочая температура, °C
-10... +65
Срок службы 
> 50 000 часов
Степень защиты 
IP44
Вес, кг
2,10