Осевой вентилятор F2E-80B-230 применяется для охлаждения всевозможных приборов и компонентов, промышленного оборудования. Спектр применения осевого вентилятора F2E-80B-230 очень широк: от установки на радиаторы охлаждения (твердотельные реле и прочее), вытяжные/впускные решетки шкафов управления и автоматизации, компьютерную периферию, до значительно более крупного промышленного оборудования (сварочные аппараты, холодильное и телекоммуникационное оборудование, и прочее). Вплоть до применения в ресторанном оборудовании, салонах красоты, соляриях.

1.00руб.

Данный вентилятор укомплектован подшипником качения. Двойной шарикоподшипник позволяет увеличить срок службы вентилятора. Конструктивно вентилятор представляет собой вал с установленной крыльчаткой, при этом поток воздуха направлен вдоль оси вращения лопастей. Этот тип конструкции является самым популярным во всех сферах применения вентиляторов. Аксиальный вентилятор отличается высокими показателями расхода воздуха, и хорошо справляется с охлаждением.

Крыльчатка изготовлена из негорючего термопластика, соответствующего стандартам горючести пластиковых материалов UL 94. Корпус выполнен из силумина (сплав алюминия с кремнием), покрытого антикоррозийным влагоотталкивающим покрытием черного цвета. Клеммные выводы обеспечивают удобство подключения вентилятора

Тип тока
AC
Номинальное напряжение питания, В
220/230
Выдерживаемое напряжение
AC 1500В, 1 мин при 0,5 мА, 50/60 Гц
Максимальный воздушный поток, м3/ч
55
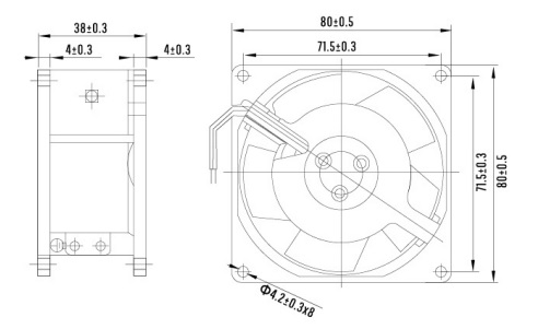
Габаритные размеры, мм
80*80*38
Уровень шума, дБ(А)
29/35
Скорость вращения, об./мин.
2600/3000
Номинальный ток, А
0,06/0,07
Потребляемая мощность, Вт
15/12
Тип подшипника 
качения
Выводы
клеммный разъем
Рабочая температура, °C
-20... +65
Степень изоляции
в соответствии с IEC61858 класс B
Срок службы
> 50 000 часов
Степень защитыIP 34
Вес, кг
0,335


Недавно просмотренные товары