Осевой вентилятор F2E-150B-115 применяется для
охлаждения всевозможных приборов и компонентов, промышленного оборудования.Спектр
применения осевого вентилятора F2E-150B-115 очень широк: от
установки на радиаторы охлаждения (твердотельные реле и прочее), вытяжные/впускные
решетки шкафов управления и автоматизации, компьютерную периферию, до
значительно более крупного промышленного оборудования (сварочные аппараты,
холодильное и телекоммуникационное оборудование, и прочее). Вплоть до
применения в ресторанном оборудовании, салонах красоты, соляриях.
- 100
Данный вентилятор
укомплектован подшипником качения. Двойной шарикоподшипник позволяет увеличить
срок службы вентилятора. Конструктивно
вентилятор представляет собой вал с установленной крыльчаткой, при этом поток
воздуха направлен вдоль оси вращения лопастей. Этот тип конструкции является
самым популярным во всех сферах применения вентиляторов. Аксиальный вентилятор
отличается высокими показателями расхода воздуха, и хорошо справляется с
охлаждением.
Крыльчатка изготовлена из негорючего
термопластика, соответствующего стандартам горючести пластиковых материалов UL
94. Корпус выполнен из силумина (сплав алюминия с кремнием), покрытого
антикоррозийным влагоотталкивающим покрытием черного цвета. Клеммные выводы
обеспечивают удобство подключения вентилятора
Тип тока | AC |
Номинальное напряжение питания, В | 110/115 |
Выдерживаемое напряжение | AC 1800В, 1 мин при 0,5 мА, 50/60 Гц |
Максимальный воздушный поток, м3/ч | 402/460 |
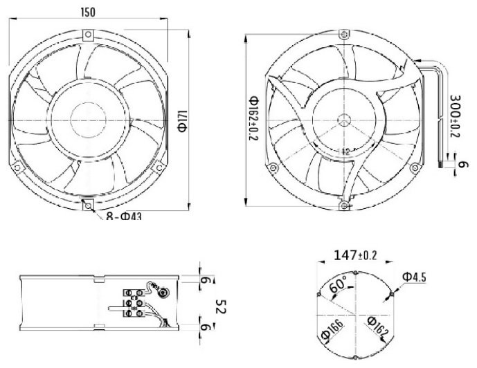
Габаритные размеры, мм | 171*150*52 |
Уровень шума, дБ(А) | 50 |
Скорость вращения, об./мин. | 2500/2800 |
Номинальный ток, А | 0,48/0,46 |
Потребляемая мощность, Вт | 41/38 |
Тип подшипника | качения |
Выводы | клеммный разъем |
Рабочая температура, °C | -25 …. +65 |
Степень изоляции | в соответствии с IEC61858 класс B |
Срок службы | > 50 000 часов |
Степень защиты | IP 34 |
Вес, кг | 0,90 |